设为首页

  收藏网站

  联系我们

全站搜索:

 
     产品中心
    工程师推荐  
    刀型闸阀/浆液阀系列
    球阀系列
    蝶阀系列
    截止阀系列
    闸阀系列
    调节阀系列
    多功能水力控制阀系列
    水力控制阀系列
    止回阀系列
    旋塞阀系列
    保温阀系列
    疏水阀系列
    过滤器系列
 
(D343F46)型美标全衬氟蝶阀

首页 >> 蝶阀系列 >> D343H/Y型三偏心金属硬密封蝶阀

(D343F46)型美标全衬氟蝶阀

产品型号:D343F46、D643F46、D943F46
产品口径:DN80-DN1200
压力等级:Class 125LB、150LB、300LB
驱动方式:蜗轮传动、气动、电动
产品材质:铸铁、铸钢、不锈耐酸铸钢、超低碳不锈耐酸铸钢
适用介质:各种浓度的盐酸、硫酸、氢氟酸、硝酸、有机酸、强碱、强氧化剂、各种有机溶剂及其它各类强腐蚀介质。


产品概述:(D343F46 衬氟蝶阀)
衬氟蝶阀,阀体、阀座与阀芯内衬一体化,阀门工作时,只有阀体内衬与衬氟蝶板与介质接触,采用四极密封结构并在密封面处配以耐温抗老化的SI橡胶的弹性衬垫,完全达到介质的零泄漏,具有严密的密封性能,超长的使用寿命;
产品用途:(D343F46 衬氟蝶阀)
衬氟蝶阀结构紧凑、外形美观、工艺合理、性能可靠、操作轻便,可作快速切断或调节流量之用。适用于要求可靠密封和良好调节特性的场合;广泛适用于各种不同类型工业管道中液体和气体(包括蒸气)的输送,特别是具有强腐蚀性介质的使用场合;如浓盐酸、浓硫酸、氢氟酸、磷酸、氯气、强碱,王水等具有强腐蚀的介质;
产品结构特点:(D343F46 衬氟蝶阀)
1)衬氟蝶阀为整个蝶板与阀座在360°圆周内同心(中线),具有双向密封功能,压力、流量可自由调节;
2)偏心蝶阀为二维方向偏心产品的凸轮效应会使密封副产生足够的密封比压,并且随着工作压力的升高,密封效果更理想;
3)四级加载弹性密封,保证了阀门内、外的零泄漏。
a:轴头、蝶板圆周连接处的特殊过渡曲线与阀座的合理过盈。
b:轴头端面采用弹性O型圈和轴肩处刚性垫圈、弹性橡胶垫组合;
c:轴的径向采用O型圈与金属轴套的组合;
d:衬氟蝶阀阀座镶嵌有弹性条的阀体槽内。
4)衬氟蝶阀采用可弹性垫片定位准确,结构简单。(*采用O型圈是为了防止意外泄漏时的安全措施)。
主要零部件材料表:(D343F46 衬氟蝶阀)

美标
序号
零件名称
灰铸铁
铸钢
不锈耐酸铸钢
超低碳不锈耐酸铸钢
Z
C
P8
R8
P3
R3
1
阀体/阀盖
A126-C
A216-WCB
A351-CF8
A351-CF8M
A351-CF3
A351-CF3M
2
蝶板
A216-WCB
A105
A351-CF8
A351-CF8M
A351-CF3
A351-CF3M
3
阀杆
A182-F6
A182-F304
A182-F316
A182-F304L
A182-F316L
4
衬里/阀座
PTFE(F4),PCTEF(F3),FEP(F46),PFA(可溶F4),PP,PO
5
紧固销
A182-F6
A182-F304
A182-F316
A182-F304L
A182-F316L
6
填料
PTFE(F4)
PTFE(F4)
PTFE(F4)
7
填料压盖
A216-WCB
CF8
CF8M
CF8
CF3M
8
支架
A351-CF8
A351-CF8
 
9
紧固螺栓
A193-B7
A193-B8M
A193-B8M
10
螺母
A194-2H
A194-8
A194-8

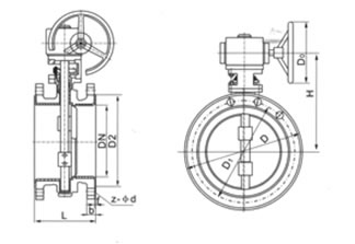
外形图及主要连接尺寸:(D343F46 衬氟蝶阀)
    

公称通经
L
D
D1
D2
f
b
Z-φd
DN(mm)
NPS(inch)
Class 125Lb/150Lb
80
3
127
190
152.5
127
2
19
4-φ19
100
4
127
229
190.5
157
2
24
8-φ19
125
5
127
254
216
186
2
24
8-φ22
150
6
127
279
241.5
216
2
26
8-φ22
200
8
152.4
343
298.5
270
2
29
8-φ22
250
10
203.2
406
362
324
2
31
12-φ25
300
12
203.2
483
432
381
2
32
12-φ25
350
14
203.2
533
476
413
2
35
12-φ29
400
16
203.2
597
540
470
2
37
16-φ29
450
18
203.2
635
578
533
2
40
16-φ32
500
20
203.2
699
635
584
2
43
20-φ32
600
24
203.2
813
749.5
692
2
48
20-φ25
750
30
304.8
887
846
813
2
45
44-φ23
900
36
304.8
1057
1009.7
972
2
53
44-φ26
1050
42
304.8
1226
1171.4
1130
2
59
48-φ29
1200
48
381
1392
1335
1289
2
65
44-φ32

产品执行标准:(D343F46 衬氟蝶阀)
设计规范:MSS SP-67
结构长度:MSS SP-67(ANSI B16.10)
法兰连接:ANSI B16.5(API 605)
试验与检验:API598
 
防腐衬里材料简介:(D343F46 衬氟蝶阀)
(1)聚四氟乙烯PTFE(F4)适用介质:强酸、强碱、强氧化剂等;使用温度-200-180度;特点:具有优异的化学稳定性,有很高的耐热性、耐寒性;摩擦系数很低,是极好的自润滑材料,但机械性能较低,流动性差,热膨胀大。
(2)聚全氟乙丙烯FEP(F46)适用介质:任何有机溶剂或试剂、稀或浓无机酸、碱、酮、芳烃、氯化烃等;使用温度:-85-150度;特点:力学、电性能和化学稳定性基本与F4相同,但突出优点是动击韧性高,有极好的耐侯性和辐射性。
(3)聚三氟乙烯PCTEF(F3)适用介质:各种有机溶剂,无机腐蚀液(氧化性酸类);使用温度:-195-120度;特点:耐热性、电性能和化学稳定性仅次于F4,机械强度,蠕变性能、硬度比F4好些。
(4)聚偏氟乙烯PVDF(F2)适用介质:耐大多数化学药品和溶剂;使用温度:-70-100度;特点:拉伸强度与压缩强度比F4好,耐弯折、耐候、耐辐射、耐光和老化等,最大特点是韧性好,易成型。
(5)聚丙烯RPP 适用介质:无机盐类的水溶液,无机酸类、碱类的稀或浓溶液;使用温度:-14-80度;特点:最轻的塑料之一,其屈服、拉伸和压缩强度、硬度均优于低压聚乙烯,有很突出的刚性;耐热性好,易成型,优廉。改性后动击性、流动性、弯曲弹性模数提高。
(6)聚烯烃PO 适用介质:各种浓度的酸碱盐及某些有机溶剂;使用温度:-58-80;特点:是目前世界最理想的防腐材料,已广泛用于旋转成型的大型设备和管道件内衬。
(7)聚氯乙烯(硬质)PVC 适用介质:耐水、浓碱、非氧化性酸、链烃、油和臭氧等;使用温度:0-55度;特点:机械强度较高,化学稳定性及介电性能优良,耐油性和抗老性也较好,易熔接及粘河,价格较低。
各类衬里管道阀门其同公称通径的壳体和连接尺寸都相同,但其衬里材料根据不同介质,可采用以下不同衬里材料:改性聚烯烃PO、聚丙烯RPP、聚全氟乙丙烯F46、聚四氟乙烯F4、聚三氟乙烯F3、聚偏乙烯F2。 
 

 

公司地址:广州市南沙区进港大道577号盈港国际32楼08单位
联系电话:020-84691371 传真:020-84807090 备案号:粤ICP备12063137号
版权所有©2012 武汉伯斯特阀门集团有限公司 广州销售分公司   E-mail:guangzhoubst@163.com