设为首页

  收藏网站

  联系我们

全站搜索:

 
     产品中心
    工程师推荐  
    刀型闸阀/浆液阀系列
    球阀系列
    蝶阀系列
    截止阀系列
    闸阀系列
    调节阀系列
    多功能水力控制阀系列
    水力控制阀系列
    止回阀系列
    旋塞阀系列
    保温阀系列
    疏水阀系列
    过滤器系列
 
Q911F内螺纹电动球阀(三片式)

首页 >> 球阀系列 >> Q11F内螺纹球阀

Q911F内螺纹电动球阀(三片式)

尺寸范围:DN15~DN100、1/2~4
压力等级:1.6~6.4MPa、800Lb
壳体材料:碳钢、不锈钢
适用介质:气体、液体
操作方式:手动
产品设计优势:防吹出阀杆、防静电装置、体积小重量轻、经济实用。


产品用途:Q911F内螺纹电动球阀(三片式)
内螺纹电动球阀(三片式)广泛应用在冶金、石油、天然气、煤矿、化工、医药、电力、城市和工业企业的给排水、供热、和供气系统中。
主要性能参数:Q911F内螺纹电动球阀(三片式)
公称压力PN
(MPa)
试验压力(MPa)
壳体试验(MPa)
密封试验(MPa)
气密试验(MPa)
1.6
2.4
1.76
0.6
2.5
3.75
2.75
0.6
4.0
6.0
4.4
0.6
6.4
9.6
7.04
0.6
主要零部件材质:Q911F内螺纹电动球阀(三片式)
材料\材料代号
C
P
R
主要零件
阀体
WCB
CF8 304
CF8M 316
阀盖
WCB
CF8 304
CF8M 316
球体阀杆
2Cr13
0Cr18Ni9
0Cr17Ni12Mo2
阀座
增强聚四氟乙烯 对位聚苯
填料
聚四氟乙烯 柔性石墨
适用工况
适用介质
水、蒸汽、油品
硝酸类
醋酸类
适用温度
-28℃~350℃
执行器
型号
GT系列、SW系列
气源压力
0.4~0.7Mpa
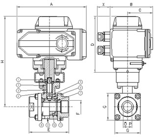
产品外形图及连接尺寸:Q911F内螺纹电动球阀(三片式)
      
Q941F高平台电动三片式球阀                     Q941F电动三片式球阀
 
 

 

公司地址:广州市南沙区进港大道577号盈港国际32楼08单位
联系电话:020-84691371 传真:020-84807090 备案号:粤ICP备12063137号
版权所有©2012 武汉伯斯特阀门集团有限公司 广州销售分公司   E-mail:guangzhoubst@163.com