产品结构特点:
V型球阀是一种芯阀座采用金属,或金属对聚四氟乙烯密封配合的旋转球阀,它将球阀和蝶阀的最佳控制特性结合成一体,既可用作控制调节阀,又可作关断切断阀。其主要特点是:
(1)不带任何管接头的整体式阀体,因此不受管道或螺栓应力影响,并且由于阀体无任何管接头,故耐压壳体不会受压力“突变”的影响;
(2)具有一个V型阀体,即使在小流量或高粘度介质的情况下,也可在整个量程范围内,保证控制的精确性;
(3)防漏耐用的阀座在其外径处衬有带不锈钢内芯PTFE杯形或是O型密封圈,阀座用截面较大的钨钴硬质合金制成,通过一个合金的波纹弹簧进一步增强了阀座的结构;
(4)当阀门关闭时,V型缺口与阀座之间产生楔形剪切作用,并既具有自洁功能又可防止球芯卡死,特别适用于高粘度、悬浮液、纸浆等不干净、含纤维介质场合。
主要性能规范
|
公称压力Mpa |
1.6 |
2.5 |
4.0 |
6.4 |
|
试验压力Mpa |
强度试验 |
2.4 |
3.8 |
6.0 |
9.6 |
|
密封试验 |
1.8 |
2.8 |
4.4 |
7.04 |
|
气密试验 |
0.6 |
产品使用范围及适用温度:
|
壳体材料 |
阀座材料 |
适用温度 |
适用温度 |
适用介质 |
|
碳钢C型 |
不锈钢 |
≤250℃ |
≤250℃ |
水、蒸汽油品等 |
|
铬镍钛P型 |
不锈钢 |
≤200℃ |
≤200℃ |
硝酸类 |
|
铬镍钼钛钢R型 |
不锈钢 |
≤200℃ |
≤200℃ |
醋酸类 |
|
铬钼钒钢I型 |
不锈钢 |
≤200℃ |
≤200℃ |
蒸汽、冶炼能源等 |
产品主要零件材料:
|
阀体、阀盖 |
WCB |
ZG1Cr18NiTi |
ZG0Cr18Ni12Mo2 |
ZG15Cr1Mo1V |
|
球体 |
2Cr13/1Cr18Ni9Ti |
1Cr18Ni9Ti/表面特殊处理 |
0Cr18Ni12Mo2/表面特殊处理 |
25Cr2Mo1V/表面特殊处理 |
|
阀杆、固定轴 |
2Cr13 |
1Cr18Ni9Ti |
0Cr18Ni12Mo2 |
25Cr2Mo1V |
|
阀座 |
2Cr13 |
1Cr18Ni9Ti |
0Cr18Ni12Mo2 |
D517 |
|
填料 |
柔性石墨 |
柔性石墨 |
柔性石墨 |
柔性石墨 |
|
螺栓 |
35 |
0Cr18Ni9 |
0Cr18Ni9 |
15Cr1Mo1V |
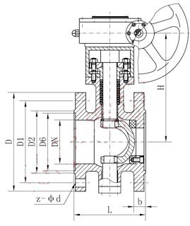
主要外形图及连接尺寸:

|
公称压力
PN |
公称通径
DN |
连接尺寸:(mm) |
|
L |
D |
D1 |
D2 |
D6 |
b |
Z-φd |
H |
|
16 |
25 |
150 |
115 |
85 |
65 |
- |
14 |
4-14 |
75 |
|
32 |
165 |
135 |
100 |
78 |
- |
16 |
4-18 |
105 |
|
40 |
180 |
145 |
110 |
85 |
- |
16 |
4-18 |
95 |
|
50 |
200 |
160 |
125 |
100 |
- |
16 |
4-18 |
107 |
|
65 |
220 |
180 |
145 |
120 |
- |
18 |
4-18 |
142 |
|
80 |
250 |
195 |
160 |
135 |
- |
20 |
8-18 |
152 |
|
100 |
280 |
215 |
180 |
155 |
- |
20 |
8-18 |
178 |
|
125 |
320 |
245 |
210 |
185 |
- |
22 |
8-18 |
252 |
|
150 |
360 |
280 |
240 |
210 |
- |
24 |
8-23 |
272 |
|
200 |
400 |
335 |
295 |
265 |
- |
26 |
12-23 |
342 |
|
25 |
25 |
150 |
115 |
85 |
65 |
- |
16 |
4-14 |
75 |
|
32 |
165 |
135 |
100 |
78 |
- |
18 |
4-18 |
85 |
|
40 |
180 |
145 |
110 |
85 |
- |
18 |
4-18 |
95 |
|
50 |
200 |
160 |
125 |
100 |
- |
20 |
4-18 |
107 |
|
65 |
220 |
180 |
145 |
120 |
- |
22 |
8-18 |
142 |
|
80 |
250 |
195 |
160 |
135 |
- |
24 |
8-18 |
152 |
|
100 |
280 |
230 |
190 |
160 |
- |
28 |
8-23 |
178 |
|
125 |
320 |
270 |
220 |
188 |
- |
30 |
8-25 |
252 |
|
150 |
360 |
300 |
250 |
218 |
- |
34 |
8-25 |
272 |
|
200 |
400 |
360 |
310 |
278 |
- |
34 |
12-25 |
342 |
|
40 |
25 |
150 |
115 |
85 |
65 |
58 |
16 |
4-14 |
75 |
|
32 |
180 |
135 |
100 |
78 |
66 |
18 |
4-18 |
107 |
|
40 |
200 |
145 |
110 |
85 |
76 |
18 |
4-18 |
95 |
|
50 |
220 |
160 |
125 |
100 |
88 |
20 |
4-18 |
107 |
|
65 |
250 |
180 |
145 |
120 |
110 |
22 |
8-18 |
142 |
|
80 |
280 |
195 |
160 |
135 |
121 |
22 |
8-18 |
152 |
|
100 |
320 |
230 |
190 |
160 |
150 |
24 |
8-23 |
178 |
|
125 |
400 |
270 |
220 |
188 |
176 |
28 |
8-25 |
252 |
|
150 |
400 |
300 |
250 |
218 |
204 |
30 |
8-25 |
272 |
|
200 |
502 |
375 |
320 |
282 |
260 |
38 |
12-30 |
342 | |