产品概述: 三通球阀可分为L形和T形,L形(Q44F/H/Y)三通球阀用于介质流向的切换,能使相互垂直的两个通道连接;T形(Q45F/H/Y)三通球阀用于介质分流、合流及流向切换。T形三通可以使三个通道互相连通或使其中两个通道连通。三通球阀一般采用两阀座结构,亦可根据用户要求采用四阀座结构。
结构特点及用途:
1、结构紧凑、启闭迅速、流道畅通、流体阻力小。
2、密封性能好:利用四面阀座材料聚四氟乙烯弹性变形实现无泄漏密封。
3、一阀多用:任一通口可用作入口而无泄漏,三通既可制成L型通口,也可制成T型通口。
4,维修方便:在系统卸压后,无需拆下整个阀体就可进行检查和维修。
5、泛适用于供水、石化、冶金、矿山、轻纺、能源、造纸、食品、钢铁等管路系统中对介质流向进行切换以及对介质的分流或混合流体。
性能参数:Q44F、Q45F三通球阀
|
试验压力 |
公称压力(Mpa) |
|
Mpa |
1.6 |
2.5 |
4.0 |
CL150 |
JIS10K |
|
强度试验 |
2.4 |
3.8 |
6.0 |
3.2 |
2.4 |
|
密封试验 |
1.8 |
2.8 |
4.4 |
2.2 |
1.5 |
|
气密试验 |
0.5-0.7 |
|
工作温度 |
PTFE≤150℃ PTL≤300℃ |
|
适用温度 |
C:水、油、气;P:硝酸类;R:醋酸类 |
主要零件材料:Q44F、Q45F三通球阀
|
阀体、阀盖 |
WCB、CF8 |
|
球体 |
WCB+Hcr、CF8 |
|
阀杆 |
2Cr13、CF8 |
|
阀座 |
PTFE |
|
填料 |
PTFE |
产品标准与规范:Q44F、Q45F三通球阀
|
设计与制造 |
结构长度标准 |
连接法兰 |
试验与检验 |
压力温度等级 |
|
GB12237 |
GB/T12221 |
JB/T79.1、
9113.1、
HG20592~20635 |
JB/T9092、
GB/T13927 |
GB913.1、JB/T74、HG20604 |
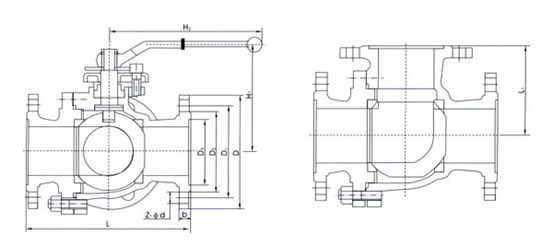
外形图及连接尺寸:Q44F、Q45F三通球阀

|