工作原理:500X泄压阀/持压阀
1、作泄压阀:当泄压/持压导阀调整为泄压状态时,水通过针阀、主阀控制室、球阀A、泄压/持压导阀、球阀B流向出口,此时主阀处于开启状态。当进口压力超过泄压/持压导阀设定的安全值时,泄压导阀会自动开启,通过球阀C放出部分水,使管路泄压。当压力恢复到安全值时,泄压阀自动关闭。作泄压阀时,各球阀常开。
2、作持压阀:当泄压/持压导阀调整为持压状态时,只要主阀进口水压低于导阀设定值,导阀即关闭。主要控制室升压,主阀关闭。当主阀上游供水压力超过导阀设定压力时,持压导阀才能打开,控制室的水经球阀排至出口,控制室降压主阀开启,开始供水,即保持了上游水压。作持压阀用时,球阀C常闭或用丝堵换下。
主要技术参数:500X泄压阀/持压阀
|
公称压(Mpa) |
壳体试验压力(MPa) |
密封试验压力(MPa) |
适用介质 |
介质温度(℃) |
|
1.0 |
1.5 |
1.1 |
水 |
0-80 |
|
1.6 |
2.4 |
1.76 |
|
2.5 |
3.75 |
2.75 |
主要零件材料:500X泄压阀/持压阀
|
零件名称 |
零件材料 |
|
阀体 阀盖 |
WCB |
|
阀座 阀盘 |
铜合金 |
|
密封圈 O型圈 |
丁腈橡胶 |
|
阀杆 |
2Cr13 |
|
弹簧 |
50CrVA |
|
针型阀 |
铜合金 |
|
球阀 |
铜合金 |
|
浮球阀 |
铜合金 |
|
微型过滤器 |
不锈钢 |
部件列表:500X泄压阀/持压阀
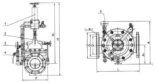
1、导阀2、针阀3、球阀4、主阀5、压力表
主要外形及连接尺寸:500X泄压阀/持压阀

|
DN |
L |
A |
A1 |
H |
H1 |
F |
D mm |
D1 mm |
D2 mm |
n-Φd |
|
mm |
mm |
mm |
mm |
mm |
mm |
PN1.0 |
PN1.6 |
PN2.5 |
PN1.0 |
PN1.6 |
PN2.5 |
PN1.0 |
PN1.6 |
PN2.5 |
PN1.0 |
PN1.6 |
PN2.5 |
|
20 |
180 |
330 |
130 |
550 |
460 |
116 |
105 |
105 |
105 |
75 |
75 |
75 |
58 |
58 |
56 |
4-13.5 |
4-13.5 |
4-14 |
|
25 |
180 |
330 |
130 |
550 |
460 |
116 |
115 |
115 |
115 |
85 |
85 |
85 |
68 |
68 |
65 |
4-13.5 |
4-13.5 |
4-14 |
|
32 |
180 |
330 |
130 |
550 |
460 |
116 |
140 |
140 |
140 |
100 |
100 |
100 |
78 |
78 |
76 |
4-17.5 |
4-17.5 |
4-18 |
|
40 |
240 |
345 |
135 |
610 |
516 |
170 |
150 |
150 |
150 |
110 |
110 |
110 |
88 |
88 |
84 |
4-17.5 |
4-17.5 |
4-18 |
|
50 |
240 |
345 |
135 |
610 |
516 |
170 |
165 |
165 |
165 |
125 |
125 |
125 |
102 |
102 |
99 |
4-17.5 |
4-17.5 |
4-18 |
|
65 |
250 |
355 |
140 |
625 |
520 |
180 |
185 |
185 |
185 |
145 |
145 |
145 |
122 |
122 |
118 |
4-17.5 |
4-17.5 |
8-18 |
|
80 |
285 |
360 |
146 |
645 |
538 |
210 |
200 |
200 |
200 |
160 |
160 |
160 |
133 |
133 |
132 |
8-17.5 |
8-17.5 |
8-18 |
|
100 |
360 |
400 |
156 |
750 |
596 |
275 |
220 |
220 |
235 |
180 |
180 |
190 |
158 |
158 |
156 |
8-17.5 |
8-17.5 |
8-22 |
|
125 |
400 |
420 |
170 |
808 |
655 |
310 |
250 |
250 |
270 |
210 |
210 |
220 |
184 |
184 |
184 |
8-17.5 |
8-17.5 |
8-26 |
|
150 |
455 |
435 |
186 |
864 |
710 |
355 |
285 |
285 |
300 |
240 |
240 |
250 |
212 |
212 |
211 |
8-22 |
8-22 |
8-26 |
|
200 |
585 |
480 |
206 |
1135 |
805 |
460 |
340 |
340 |
360 |
295 |
295 |
310 |
268 |
268 |
274 |
8-22 |
12-22 |
12-26 |
|
250 |
650 |
530 |
226 |
1185 |
855 |
500 |
395 |
405 |
425 |
350 |
355 |
370 |
320 |
320 |
330 |
12-22 |
12-26 |
12-30 |
|
300 |
800 |
575 |
246 |
1325 |
955 |
580 |
445 |
460 |
485 |
400 |
410 |
430 |
370 |
370 |
389 |
12-22 |
12-26 |
16-30 |
|
350 |
860 |
620 |
275 |
1385 |
990 |
640 |
505 |
520 |
555 |
460 |
470 |
490 |
430 |
430 |
448 |
16-22 |
16-26 |
16-33 |
|
400 |
960 |
635 |
286 |
1445 |
1030 |
715 |
565 |
580 |
620 |
515 |
525 |
550 |
482 |
482 |
503 |
16-26 |
16-30 |
16-36 |
|
450 |
1075 |
665 |
320 |
1325 |
905 |
780 |
615 |
640 |
670 |
565 |
585 |
600 |
532 |
550 |
548 |
20-26 |
20-30 |
20-36 |
|
500 |
1075 |
695 |
348 |
1430 |
960 |
830 |
670 |
715 |
730 |
620 |
650 |
660 |
585 |
585 |
609 |
20-26 |
20-33 |
20-36 |
|
600 |
1230 |
720 |
372 |
1565 |
1020 |
920 |
780 |
840 |
845 |
725 |
770 |
770 |
685 |
685 |
720 |
20-30 |
20-36 |
20-39 |
|
700 |
1650 |
770 |
422 |
1755 |
1160 |
980 |
895 |
910 |
960 |
840 |
840 |
875 |
800 |
800 |
820 |
24-30 |
24-36 |
24-42 |
|
800 |
1750 |
805 |
458 |
2230 |
1515 |
1050 |
1015 |
1025 |
1085 |
950 |
950 |
990 |
905 |
905 |
928 |
24-33 |
24-39 |
24-48 |
安装示意图
|