工作原理: 当阀门从进口端给水时,水流流过针阀进入主阀控制室,当电磁导阀打开时,控制室内的水经电磁导阀、球阀流出。球阀开度大于针阀开度,主阀控制室内压力很低,主阀处于全开状态。
当电磁导阀关闭时,主阀控制室的水不能流出,控制室升压,推动膜片关闭主阀。
主要技术参数:
|
公称压(Mpa) |
壳体试验压力(MPa) |
密封试验压力(MPa) |
适用介质 |
介质温度(℃) |
|
1.0 |
1.5 |
1.1 |
水 |
0-80 |
|
1.6 |
2.4 |
1.76 |
|
2.5 |
3.75 |
2.75 |
主要零件材料:600X水力电动控制阀
|
零件名称 |
零件材料 |
|
阀体 阀盖 |
WCB |
|
阀座 阀盘 |
铜合金 |
|
密封圈 O型圈 |
丁腈橡胶 |
|
阀杆 |
2Cr13 |
|
弹簧 |
50CrVA |
|
针型阀 |
铜合金 |
|
球阀 |
铜合金 |
|
浮球阀 |
铜合金 |
|
微型过滤器 |
不锈钢 |
部件列表:600X水力电动控制阀
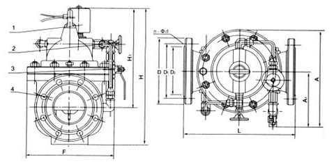
1、电磁向导阀2、针阀3、球阀4、主阀
主要外形及连接尺寸:600X水力电动控制阀

|
DN |
L |
A |
A1 |
H |
H1 |
F |
D mm |
D1 mm |
D2 mm |
n-Φd |
|
mm |
mm |
mm |
mm |
mm |
mm |
PN1.0 |
PN1.6 |
PN2.5 |
PN1.0 |
PN1.6 |
PN2.5 |
PN1.0 |
PN1.6 |
PN2.5 |
PN1.0 |
PN1.6 |
PN2.5 |
|
20 |
180 |
194 |
136 |
342 |
250 |
116 |
105 |
105 |
105 |
75 |
75 |
75 |
58 |
58 |
56 |
4-13.5 |
4-13.5 |
4-14 |
|
25 |
180 |
194 |
136 |
342 |
250 |
116 |
115 |
115 |
115 |
85 |
85 |
85 |
68 |
68 |
65 |
4-13.5 |
4-13.5 |
4-14 |
|
32 |
180 |
194 |
136 |
342 |
250 |
116 |
140 |
140 |
140 |
100 |
100 |
100 |
78 |
78 |
76 |
4-17.5 |
4-17.5 |
4-18 |
|
40 |
240 |
240 |
155 |
395 |
278 |
170 |
150 |
150 |
150 |
110 |
110 |
110 |
88 |
88 |
84 |
4-17.5 |
4-17.5 |
4-18 |
|
50 |
240 |
240 |
155 |
395 |
278 |
170 |
165 |
165 |
165 |
125 |
125 |
125 |
102 |
102 |
99 |
4-17.5 |
4-17.5 |
4-18 |
|
65 |
255 |
255 |
165 |
405 |
298 |
180 |
185 |
185 |
185 |
145 |
145 |
145 |
122 |
122 |
118 |
4-17.5 |
4-17.5 |
8-18 |
|
80 |
280 |
280 |
175 |
430 |
315 |
210 |
200 |
200 |
200 |
160 |
160 |
160 |
133 |
133 |
132 |
8-17.5 |
8-17.5 |
8-18 |
|
100 |
360 |
332 |
195 |
510 |
350 |
275 |
220 |
220 |
235 |
180 |
180 |
190 |
158 |
158 |
156 |
8-17.5 |
8-17.5 |
8-22 |
|
125 |
400 |
375 |
220 |
560 |
365 |
310 |
250 |
250 |
270 |
210 |
210 |
220 |
184 |
184 |
184 |
8-17.5 |
8-17.5 |
8-26 |
|
150 |
455 |
408 |
230 |
585 |
420 |
355 |
285 |
285 |
300 |
240 |
240 |
250 |
212 |
212 |
211 |
8-22 |
8-22 |
8-26 |
|
200 |
585 |
485 |
255 |
675 |
450 |
460 |
340 |
340 |
360 |
295 |
295 |
310 |
268 |
268 |
274 |
8-22 |
12-22 |
12-26 |
|
250 |
650 |
550 |
300 |
730 |
470 |
500 |
395 |
405 |
425 |
350 |
355 |
370 |
320 |
320 |
330 |
12-22 |
12-26 |
12-30 |
|
300 |
800 |
630 |
340 |
760 |
490 |
580 |
445 |
460 |
485 |
400 |
410 |
430 |
370 |
370 |
389 |
12-22 |
12-26 |
16-30 |
|
350 |
860 |
735 |
415 |
840 |
526 |
640 |
505 |
520 |
555 |
460 |
470 |
490 |
430 |
430 |
448 |
16-22 |
16-26 |
16-33 |
|
400 |
960 |
788 |
430 |
910 |
570 |
715 |
565 |
580 |
620 |
515 |
525 |
550 |
482 |
482 |
503 |
16-26 |
16-30 |
16-36 |
|
450 |
1075 |
850 |
460 |
1070 |
610 |
780 |
615 |
640 |
670 |
565 |
585 |
600 |
532 |
550 |
548 |
20-26 |
20-30 |
20-36 |
|
500 |
1075 |
905 |
490 |
1135 |
665 |
830 |
670 |
715 |
730 |
620 |
650 |
660 |
585 |
585 |
609 |
20-26 |
20-33 |
20-36 |
|
600 |
1230 |
970 |
530 |
1270 |
725 |
920 |
780 |
840 |
845 |
725 |
770 |
770 |
685 |
685 |
720 |
20-30 |
20-36 |
20-39 |
|
700 |
1650 |
1050 |
560 |
1460 |
865 |
980 |
895 |
910 |
960 |
840 |
840 |
875 |
800 |
800 |
820 |
24-30 |
24-36 |
24-42 |
|
800 |
1750 |
1135 |
610 |
1640 |
975 |
1050 |
1015 |
1025 |
1085 |
950 |
950 |
990 |
905 |
905 |
928 |
24-33 |
24-39 |
24-48 |
安装示意图:600X水力电动控制阀

|