产品概述: 本产品驱动装置可采用电动、气动、手动、伞齿轮转动等装置。气动装置可安装空气过滤器、电磁阀、感应器,如发装以上驱动装置,汽动装置应在合同中注册。
特点:阀腔不积渣,特别适合于浆体输送及粉体物粒的输送。
产品设计与制造标准:SCZ型穿透式插板阀/长杆平板闸阀
设计制造: JB/T8691
结构长度: GB/T15188.2
法兰连接: GB/T9113.1 JB/T79
试验与验收: GB/T13927
◆主要零件材料及连接尺寸: SCZ型穿透式插板阀/长杆平板闸阀
|
零件名称 |
材料 |
零件名称 |
材料 |
|
阀体 |
1CF18Ni9Ti CF8M CF8 CF3M CF3 WCB |
阀朴 |
1CF18Ni9Ti |
|
阀座密封圈 |
橡胶或 PTFE |
史架 |
不锈钢 |
|
密封垫片 |
橡胶或 PTFE |
填料压盖 |
不锈钢 |
|
闸板 |
1CF13Ni9Ti CF3M CF8 CF8M CF3 2CF13 |
填料 |
石墨或 PTFE |
|
阀体装配螺栓 |
B7 |
填料压盖螺栓 |
B7 |
◆壳体试验和密封试验:SCZ型穿透式插板阀/长杆平板闸阀
1、插板阀的壳体试验和密封试验介质为水(含防幅剂)、煤油或粘度小大于水的其他适宜液体。 2、密封副是非金属密封的插板阀,密封壳体试验和要求按GB/T13927-92 D级规定。 3、密封副是金属密封的插板阀,对有密封性能要求的,密封试验的泄漏量按1×DNnan3/s计算,没有密封性能要求的小做此项试验。 4、用电动、液动、气动装置驱动的插板阀,关闭何置调定后,关闭3次按1和3要求进行壳体和密封试验。 5、插板阀清洁度要求按JB/T7748的规定。 6、静压寿命试验。 7、插板阀静压寿命试验次数按规定,其他技术要求按JB/Z234的规定。
|
静压寿命实验次数 |
金属密封 |
DN≤150mm |
1200次 |
|
DN≤200-400mm |
1000次 |
|
DN≤450mm |
800次 |
|
非金属密封 |
DN≤150mm |
1400次 |
|
DN≤200-400mm |
1200次 |
|
DN≤450mm |
1000次 |
主要零部件材质:SCZ型穿透式插板阀/长杆平板闸阀
|
阀体、上盖 |
碳钢、不锈钢 |
|
阀板 |
不锈钢 |
|
阀杆 |
不锈钢 |
|
密封圈 |
四氟、橡胶 |
主要性能规范:SCZ型穿透式插板阀/长杆平板闸阀
|
公称压力 |
PN |
|
壳体试验 |
1.5XPN |
|
密封试验 |
1.1XPN |
|
工作温度 |
橡胶≤80℃ 四氟密封≤180℃ Rubber ≤80℃, PTFE≤180℃ |
|
适用介质 |
干灰、纸浆、糖浆、污水、煤气粉末颗粒物、渣水混合物等 |
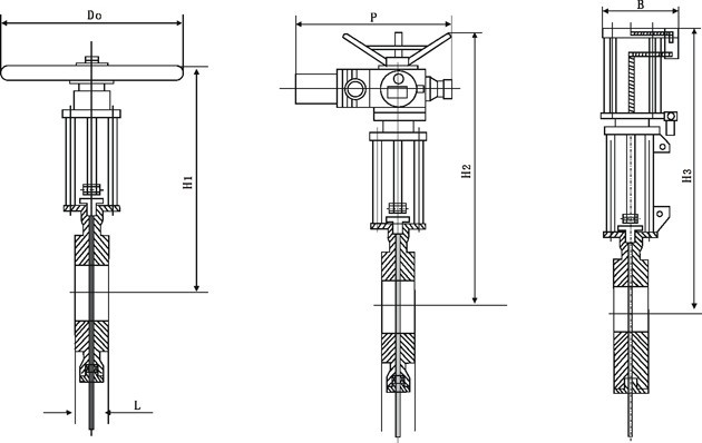
主要外形及连接尺寸: SCZ型穿透式插板阀/长杆平板闸阀
|
DN |
L |
H1 |
H2 |
H3 |
D1 |
D2 |
D0 |
N-M |
P |
B |
|
100 |
51 |
405 |
705 |
585 |
180 |
156 |
240 |
8-M16 |
490 |
170 |
|
125 |
57 |
450 |
780 |
665 |
210 |
184 |
260 |
8-M16 |
490 |
190 |
|
150 |
570 |
510 |
810 |
770 |
240 |
211 |
280 |
8-M20 |
490 |
240 |
|
200 |
70 |
615 |
930 |
920 |
295 |
266 |
300 |
12-M20 |
520 |
335 |
|
250 |
70 |
715 |
1080 |
1175 |
355 |
319 |
320 |
12-M24 |
520 |
335 |
|
300 |
76 |
822 |
1140 |
1255 |
410 |
370 |
340 |
12-M24 |
520 |
335 |
|
350 |
76 |
975 |
1290 |
1455 |
470 |
429 |
360 |
16-M24 |
520 |
350 |
|
400 |
89 |
1024 |
1344 |
1559 |
525 |
480 |
400 |
16-M27 |
605 |
390 |
|
450 |
89 |
1235 |
1560 |
1926 |
585 |
548 |
450 |
20-M27 |
605 |
430 |
|
500 |
114 |
1265 |
1610 |
2226 |
650 |
609 |
500 |
20-M30 |
605 |
430 |
注:0.6MPa、1.0MPa、1.6MPa及美标150Lb等连接尺寸见附录。 |