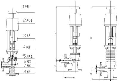
阀体: 形式:角型单座铸造阀 公称通径:20-300mm 公称形式:PN1.6 4.0 6.4Mpa 连接形式:法兰式按JB78-59 JB79-59 材料:HT200 ZG230—450 ZG1Cr18Ni9Ti ZG0Cr18Ni12Mo2Ti

上阀盖: 常 温 型:-20℃-+200℃ 散 热 型:-40℃-+450℃ 压盖形式:螺栓压紧式 填 料:V型聚四氟乙烯填料、柔性石墨、不锈钢波纹管 阀内组织: 阀芯形式:上导向单座柱塞式阀芯 流量特性:等百分比特性,直线特性和快开特性 材 料:1Cr18Ni9Ti 0Cr18Ni12M02Ti
执行机构: 类型:可选PS、3810、ZAZ型(DN100以内)、DKZ型(DN100以上)系列电子式直行程执行机构。 防爆型选用3810系列技术参数和性能:请参阅对应的执行机构与阀门定位器说明书。
ZDSJ型电动角型调节阀规格参数表:
公称通径DN |
20 |
25 |
32 |
40 |
50 |
65 |
80 |
100 |
125 |
150 |
200 |
250 |
300 |
|
阀座直径dn(mm) |
20 |
25 |
32 |
40 |
50 |
65 |
80 |
100 |
125 |
150 |
200 |
250 |
300 |
|
额定流量系数Kv |
6.5 |
10 |
16 |
25 |
40 |
63 |
100 |
160 |
250 |
400 |
630 |
|
|
|
行程mm |
10 |
16 |
25 |
40 |
60 |
100 |
100 |
|
允许压差ΔMPa |
6.1 |
3.8 |
2.3 |
1.4 |
1.0 |
2.3 |
1.6 |
1.0 |
0.8 |
0.6 |
0.4 |
|
|
|
基本误差% |
±2.5 |
|
回差% |
2.5 |
|
死区% |
1.0 |
|
始终点偏差% |
±2.5 |
|
额定行程偏差% |
2.5 |
|
允许泄漏量Q |
Kv值的0.1% |
|
可调范围 |
30:1 |
|
配电动执行器型号 |
PSL |
PSL201 |
PSL202 |
PSL204 |
PSL208 |
PSL312 |
PSL320 |
|
3810L |
SA-08 |
381LSA-30 |
381LSB-30 |
381LSB-50 |
381LSC-65 |
381LSC-160 |
|
公称压力 介质温度阀 体材料 |
1.6MPa |
常温-20℃~+200℃ 铸铁HT200 |
|
4.0MPa |
常温-20℃~+200℃ 铸钢ZG25 铸不锈钢ZG1Cr18Ni9Ti |
|
中温-40℃~+450℃ 铸钢ZG25 铸不锈钢ZG1Cr18Ni9Ti |
|
6.4MPa |
常温-20℃~+200℃ 铸钢ZG25 铸不锈钢ZG1Cr18Ni9Ti |
|
中温-40℃~+450℃ 铸钢ZG25 铸不锈钢ZG1Cr18Ni9Ti |
主要零件材料及推荐使用温度范围:
阀体材料 |
公称压力 MPa |
介质工作温度℃ |
|
〈 |
〈 |
〈 |
〈 |
〈 |
〈 |
〈 |
〈 |
〈 |
〈 |
〈 |
〈 |
〈 |
〈 |
|
120 |
200 |
250 |
300 |
350 |
400 |
425 |
450 |
475 |
500 |
525 |
550 |
575 |
600 |
|
最大工作压力MPa |
|
铸铁HT200 |
1.6 |
1.6 |
1.5 |
|
|
|
|
|
|
|
|
|
|
|
|
|
铸钢ZG25 |
4.0 6.4 |
|
4.0 6.4 |
3.7 5.9 |
3.3 5.2 |
3.0 4.7 |
2.8 4.1 |
2.3 3.7 |
1.8 2.9 |
|
|
|
|
|
|
|
铸不锈钢ZG1Cr18Ni9Ti |
4.0 6.4 |
|
|
|
|
4.0 6.4 |
3.0 4.4 |
2.7 4.2 |
2.4 4.0 |
2.1 3.8 |
1.9 3.5 |
1.7 3.4 |
1.4 3.2 |
1.1 2.9 |
0.8 2.6 |
安装尺寸和重量:
公称通径DN(mm) |
L(mm) |
H1mm |
H(mm) |
Rmm |
重量(kg) |
|
PN(MPa) |
常温 |
中温 |
PN1.6 MPa |
|
1.6 |
|
20 |
100 |
100 |
740 |
870 |
176 |
15.5 |
|
25 |
115 |
115 |
740 |
870 |
176 |
25 |
|
32 |
130 |
130 |
785 |
915 |
176 |
27.5 |
|
40 |
130 |
130 |
770 |
900 |
176 |
28.5 |
|
50 |
150 |
150 |
785 |
920 |
176 |
32.5 |
|
65 |
170 |
170 |
915 |
1080 |
225 |
59 |
|
80 |
190 |
190 |
975 |
1140 |
225 |
59 |
|
100 |
215 |
215 |
1035 |
1200 |
225 |
87 |
|
125 |
250 |
250 |
1145 |
1285 |
225 |
133 |
|
150 |
275 |
275 |
1200 |
1340 |
225 |
171 |
|
200 |
325 |
325 |
1255 |
1400 |
225 |
269 |
型号编制说明:
Z |
D |
S |
JP |
16 |
C |
G |
|
自控阀门 |
执行机构类型 |
位移特征: |
阀门结构形式: |
公称压力: |
阀体材质: |
温度类型: |
|
|
D:表示PS系列 |
S:表示直行程 |
J:表示角形阀 |
16:表示1.6MPa |
C:表示碳钢 |
G:表示中温型常温省略 |
|
|
R:表示3810系列 |
|
P:表示单座 |
40:表示4.0MPa |
P:表示不锈钢铸铁省略 |
|
|
H:表示DKZ系列 |
|
|
64:表示6.4MPa |
|
|
|
C:表示ZAZ系列 |
|
|
|
|
| |