控制模块主要技术指标: 控制精度:0.1%~3.1%可调。 接受控制信号:0~10mA.DC、 4~20mA.DC或1~5V.DC 按键选择:1、输入信号中断时:“中断”模态(开、停、关)2、正逆动作选择3、控制精度选择。 电动装置全开、全闭位置自动定位标定,方便准确。 按输入信号和电动装置位置进行智能步距调整自动定位,抑制振荡精度高。 输出电动装置位置信号:4~20mA.DC对应电动装置全闭、全开。 阀内组件: 阀芯形式: O型阀芯 流量特性: 快开型 材 料: 1Cr18Ni9Ti 0Cr17Ni12Mo2衬聚四氟乙烯 密封面材料:聚四氟乙烯、PPL、硬密封 执行机构: 类型:可选PSQ、3810R、DTR角行程执行机构。防爆型选3810系列。 技术参数和性能:请参阅对应的执行机构和阀门定位器的说明书。

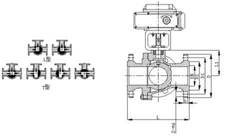
主要外形尺寸:
公称压力或压力级 |
公称通径 |
尺寸(mm) |
|
mm |
in |
L |
L1 |
D |
D1 |
D2 |
b |
z-Φd |
|
PN1.6MPa |
15 |
|
130 |
65 |
95 |
65 |
45 |
14 |
4-14 |
|
20 |
|
150 |
75 |
105 |
75 |
55/58 |
14/16 |
4-14 |
|
25 |
|
160 |
80 |
115 |
85 |
65/68 |
14/16 |
4-14 |
|
32 |
|
180 |
90 |
135/140 |
100 |
78 |
16 |
4-18 |
|
40 |
|
200 |
100 |
145/150 |
110 |
85/88 |
16 |
4-18 |
|
50 |
|
230 |
115 |
160/165 |
125 |
100/102 |
16/18 |
4-18 |
|
65 |
|
290 |
145 |
180/185 |
145 |
120/122 |
18 |
4-18 |
|
80 |
|
310 |
155 |
195/200 |
160 |
135/138 |
20 |
4-18 |
|
100 |
|
350 |
175 |
215/220 |
180 |
155/158 |
20 |
4-18 |
|
125 |
|
400 |
200 |
245/250 |
210 |
185/188 |
22 |
4-18 |
|
150 |
|
480 |
240 |
280/285 |
240 |
210/212 |
24/22 |
8-23/8-22 |
|
PN2.5MPa |
15 |
|
130 |
65 |
95 |
65 |
45 |
16 |
4-14 |
|
20 |
|
150 |
75 |
105 |
75 |
55/58 |
16 |
4-14 |
|
25 |
|
160 |
80 |
115 |
85 |
65/68 |
16 |
4-14 |
|
32 |
|
180 |
90 |
135/140 |
100 |
78 |
18 |
4-18 |
|
40 |
|
200 |
100 |
145/150 |
110 |
85/88 |
18 |
4-18 |
|
50 |
|
230 |
115 |
160/165 |
125 |
100/102 |
20 |
4-18 |
|
65 |
|
290 |
145 |
180/185 |
145 |
120/122 |
22 |
8-18 |
|
80 |
|
310 |
155 |
195/200 |
160 |
135/138 |
22/24 |
8-18 |
|
100 |
|
350 |
175 |
230/235 |
190 |
160/162 |
24 |
8-23/8-22 |
|
125 |
|
400 |
200 |
270 |
220 |
188 |
28/26 |
8-25/8-26 |
|
150 |
|
480 |
240 |
300 |
250 |
218 |
30/28 |
8-25/8-26 |
|
PN4.0MPa |
15 |
|
130 |
65 |
95 |
65 |
45 |
16 |
4-14 |
|
20 |
|
150 |
75 |
105 |
75 |
55/58 |
16 |
4-14 |
|
25 |
|
160 |
80 |
115 |
85 |
65/68 |
16 |
4-14 |
|
32 |
|
180 |
90 |
135/140 |
100 |
78 |
18 |
4-18 |
|
40 |
|
200 |
100 |
145/150 |
110 |
85/88 |
18 |
4-18 |
|
50 |
|
230 |
115 |
160/165 |
125 |
100/102 |
20 |
4-18 |
|
65 |
|
290 |
145 |
180/185 |
145 |
120/122 |
22 |
8-18 |
|
80 |
|
310 |
155 |
195/200 |
160 |
135/138 |
22 |
8-18 |
|
100 |
|
350 |
175 |
230/235 |
190 |
160/162 |
24 |
8-23/8-22 |
|
|
125 |
|
400 |
200 |
270 |
220 |
188 |
28 |
8-25/8-26 |
|
150 |
|
480 |
240 |
300 |
250 |
218 |
30 |
8-25/8-26 |
|
Class150PN2.0MPa |
15 |
1/2 |
130 |
65 |
89 |
60.5 |
35 |
- |
4-15 |
|
20 |
3/4 |
150 |
75 |
98 |
70 |
43 |
- |
4-15 |
|
25 |
1 |
160 |
80 |
108/110 |
79.5 |
51 |
11.5 |
4-15/4-16 |
|
32 |
11/4 |
180 |
90 |
117/120 |
89 |
64 |
13.0 |
4-15/4-16 |
|
40 |
11/2 |
200 |
100 |
127/130 |
98.5 |
73 |
14.5 |
4-15/4-16 |
|
50 |
2 |
230 |
115 |
152/150 |
120.5 |
92 |
16.0 |
4-19/4-20 |
|
65 |
21/2 |
290 |
145 |
178/180 |
139.5 |
105 |
17.5 |
4-19/4-20 |
|
80 |
3 |
310 |
155 |
190 |
152.5 |
127 |
19.5 |
4-19/4-20 |
|
100 |
4 |
350 |
175 |
229/230 |
190.5 |
157 |
24.0 |
8-19/8-20 |
|
125 |
5 |
400 |
200 |
254/255 |
216.0 |
186 |
24.0 |
8-22 |
|
150 |
6 |
480 |
240 |
279/280 |
241.5 |
216 |
25.5 |
8-22 |
|
JIS10K |
15 |
|
130 |
65 |
95 |
70 |
52 |
12 |
4-15 |
|
20 |
|
150 |
75 |
100 |
75 |
58 |
14 |
4-15 |
|
25 |
|
160 |
80 |
125 |
90 |
70 |
14 |
4-19 |
|
32 |
|
180 |
90 |
135 |
100 |
80 |
16 |
4-19 |
|
40 |
|
200 |
100 |
140 |
105 |
85 |
16 |
4-19 |
|
50 |
|
230 |
115 |
155 |
120 |
100 |
16 |
4-19 |
|
65 |
|
290 |
145 |
175 |
140 |
120 |
18 |
4-19 |
|
80 |
|
310 |
155 |
185 |
150 |
130 |
18 |
8-19 |
|
100 |
|
350 |
175 |
210 |
175 |
155 |
18 |
8-19 |
|
125 |
|
400 |
200 |
250 |
210 |
185 |
20 |
8-23 |
|
150 |
|
480 |
240 |
280 |
240 |
215 |
22 |
8-23 |
注:1、表中以分数表示者,分子为JB/T74~90系列2尺寸(等同于原机标JB74~90-59的尺寸),分母为JB/T74~90系列1、GB9112~9131(PN1.6、2.5、4.0Mpa)及HGJ44~76尺寸。 2、表中以分数表示者,分子为ANSI B16.5尺寸,分母为GB9112~9131、SH3406尺寸 |